欢迎访问我们的网站!

焊接式微动开关,带 7mm SM3-00N 医用杠杆 QC 端子

简短的介绍:


产品信息

产品标签

 描述 这个的焊接式微动开关,带 7mm SM3-00N 医用杠杆 QC 端子微动开关,具有 100,000 次循环寿命测试,适用于电机并退出。
 

范围 这个的焊接式微动开关,带 7mm SM3-00N 医用杠杆 QC 端子

 

*主要规格 由优质材料制成
性能可靠
提供不同尺寸
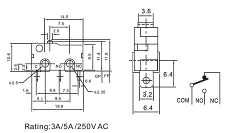
额定值:3A/125V AC/5A 125V AC/10A 24V DC
接触电阻:500mΩ(最大)
绝缘电阻:100MΩ(最小值)
介电强度:1,000V
寿命:100,000 次循环
颠簸试验:三个垂直轴方向,每个方向以100m/s的加速度进行100次循环
冲击试验:频率10、50、10Hz,摆动3.5mm,10次循环
耐焊热试验:在245±5℃的焊锡槽中3秒
温度变化:-25~70℃保存30分钟,每10个循环间隔2~5分钟
冷测试:–25±3℃ 48小时
耐热试验:70±2℃48小时
湿度测试:40±2℃,90~95%RH,96小时
实用温度范围:-16至60℃
应用:各种家用和工业电子设备,包括计算机、音频系统和出口。
*产品尺寸(尺寸图仅供参考,详细规格请联系我们。)

 

图像 这个的焊接式微动开关,带 7mm SM3-00N 医用杠杆 QC 端子

 


  • 以前的:
  • 下一个:

  • 在这里写下您的信息并发送给我们