欢迎访问我们的网站!

TC 00108 轻触开关

简短的介绍:


产品信息

产品标签

  

范围 这个的TC 00108 轻触开关

 

 

 

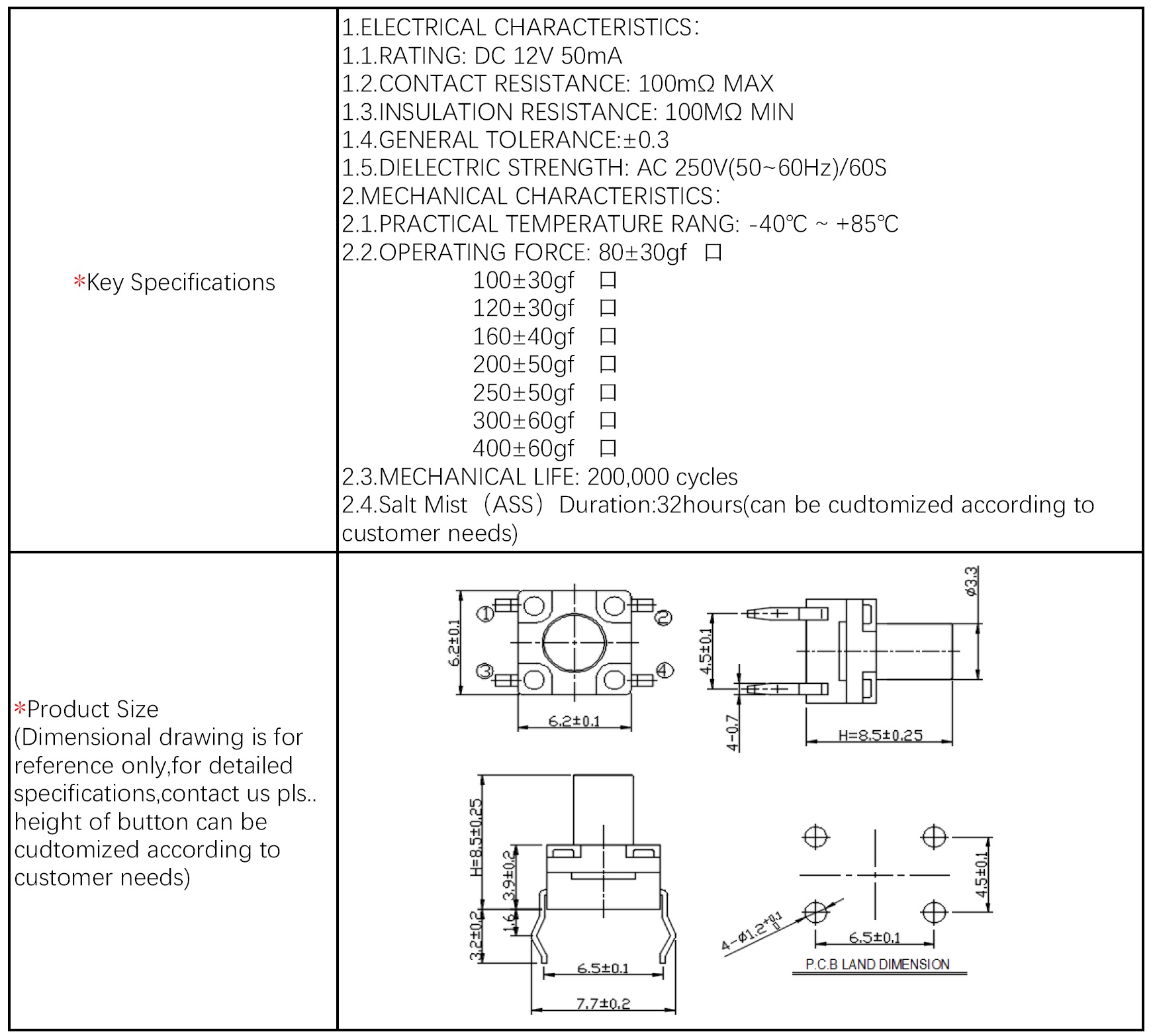
图像 这个的TC 00108 轻触开关

 

 

 

我们的工厂这个的TC 00108 轻触开关

我们的服务这个的TC 00108 轻触开关

 

 

认证 这个的TC 00108 轻触开关



 


  • 以前的:
  • 下一个:

  • 在这里写下您的信息并发送给我们