ברוכים הבאים לאתרים שלנו!

מתג מישוש TS 1114

תיאור קצר:


פירוט המוצר

תגיות מוצר

 תיאור של זהמתג מישוש TS 1114PB-22E60 5.8 מ"מ*5.8 מ"מ מתג כפתור DPDT עם נעילה או ללא נעילה, DC 30V 0.1A, בדיקת חיי תפעול של 10,000 מחזורים.

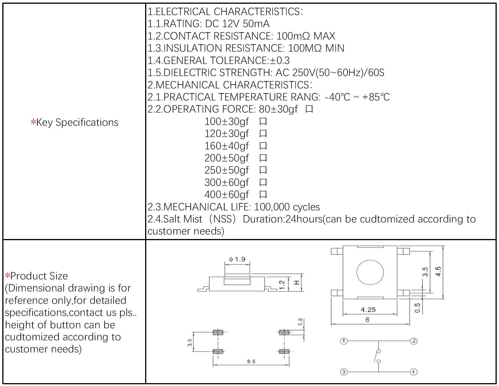
פָּרָמֶטֶר של זהמתג מישוש TS 1114

 

 

 

תמונה של זהמתג מישוש TS 1114

 

 

יתרוןשל זהמתג מישוש TS 1114

1. לעמוד בתקני ROHS ו-REACH;

2. יש צוות טכני מקצועי

המפעל שלנושל זהמתג מישוש TS 1114

השירות שלנושל זהמתג מישוש TS 1114

 

 

הסמכות של זהמתג מישוש TS 1114



 


  • קודם:
  • הַבָּא:

  • כתבו כאן את הודעתכם ושלחו אותה אלינו