Welcome to our websites!
English
Home
Products
Phone Jacks
2.5mm Audio Socket
3.5mm Audio Socket
6.35mm Audio Socket
Slide Switch
Tactile Switches
USB Connector
Waterproof Tactile Switch
Illuminated Push Switch
Illuminated Switch
Metal Push Button Switch
Micro Switch
FPC Connector
Pushbutton Switch
Battery Connector
DC Power Socket
Wafer connector
SIM&SD Card Socket
News
CERTIFICATE
About Us
Contact Us
Home
Products
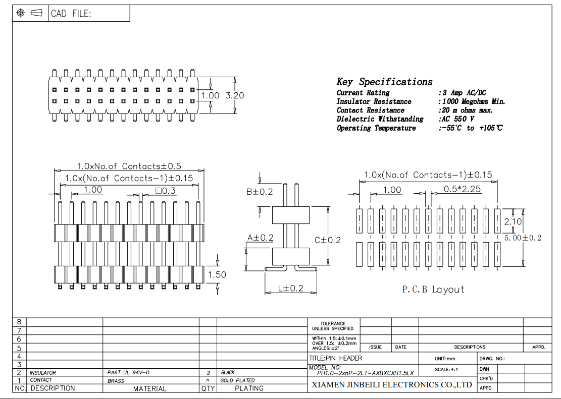
PH1.0 PIN HEADER DOUBLE ROWS double plastic housing VERTICA SMT
Short Description:
Send email to us
Product Detail
Product Tags
Previous:
ST-A01-004K AC Power socket
Next:
PH1.0 PIN HEADER DOUBLE ROWS DOUBLE PLASTIC HOUSING VERTICA DIP
Write your message here and send it to us
Products categories
SMA-C-J-361-H13.4-L10 IP67 Rated RPSMA Jack Bul...
USB-20C-F-06F12L to USB C Plug usb type c femal...
2AA-CC AA battery Holder to Crocodile clip
PH1.27 PIN HEADER DOUBLE ROWS THROUGH HOLE VER...
PH1.0 PIN HEADER SINGLE ROW VERTICA SMT 02
USB-31C-F-01C-D 24 Way Mid Mount USB Type C Jac...
Hit enter to search or ESC to close
English
Chinese
French
German
Portuguese
Spanish
Russian
Japanese
Korean
Turkish
Italian
Czech
Polish
Dutch
Hebrew
Hungarian
Vietnamese