Welcome to our websites!
English
Home
Products
Phone Jacks
2.5mm Audio Socket
3.5mm Audio Socket
6.35mm Audio Socket
Slide Switch
Tactile Switches
USB Connector
Waterproof Tactile Switch
Illuminated Push Switch
Illuminated Switch
Metal Push Button Switch
Micro Switch
FPC Connector
Pushbutton Switch
Battery Connector
DC Power Socket
Wafer connector
SIM&SD Card Socket
News
CERTIFICATE
About Us
Contact Us
Home
Products
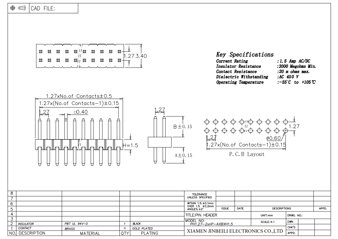
PH1.27 PIN HEADER DOUBLE ROWS THROUGH HOLE VERTICAL DIP
Short Description:
Send email to us
Product Detail
Product Tags
Previous:
PH1.27 PIN HEADER DOUBLE ROWS RIGHT ANGLE DIP
Next:
PH1.27 PIN HEADER SINGLE ROW SURE FACE MOUNT RIGHT ANGLE SMT
Write your message here and send it to us
Products categories
USB-M-PS20-C12 Mid Mount Micro USB SMD Right Angle
USB-M-10M-H-3.0 Micro USB 3.0 Plug Free Hanging
SMA-KWE-324W-H9.5X17-YH SMA Female Connector PC...
SMA-JWE-324-H13X15.8-YH RP SMA Jack Female Sock...
USB-20C-F-06F14L Waterproof Panel Mounting USB ...
PH2.0 pin header double rows double plastic hou...
Hit enter to search or ESC to close
English
Chinese
French
German
Portuguese
Spanish
Russian
Japanese
Korean
Turkish
Italian
Czech
Polish
Dutch
Hebrew
Hungarian
Vietnamese