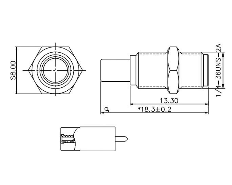
Frequency C~12GHz Contact Resistance :≤3mΩ Outter Material :Brass Pin Material :Beryllium Coppe Contact Finish:Gold Mount:bulkhead