Welcome to our websites!

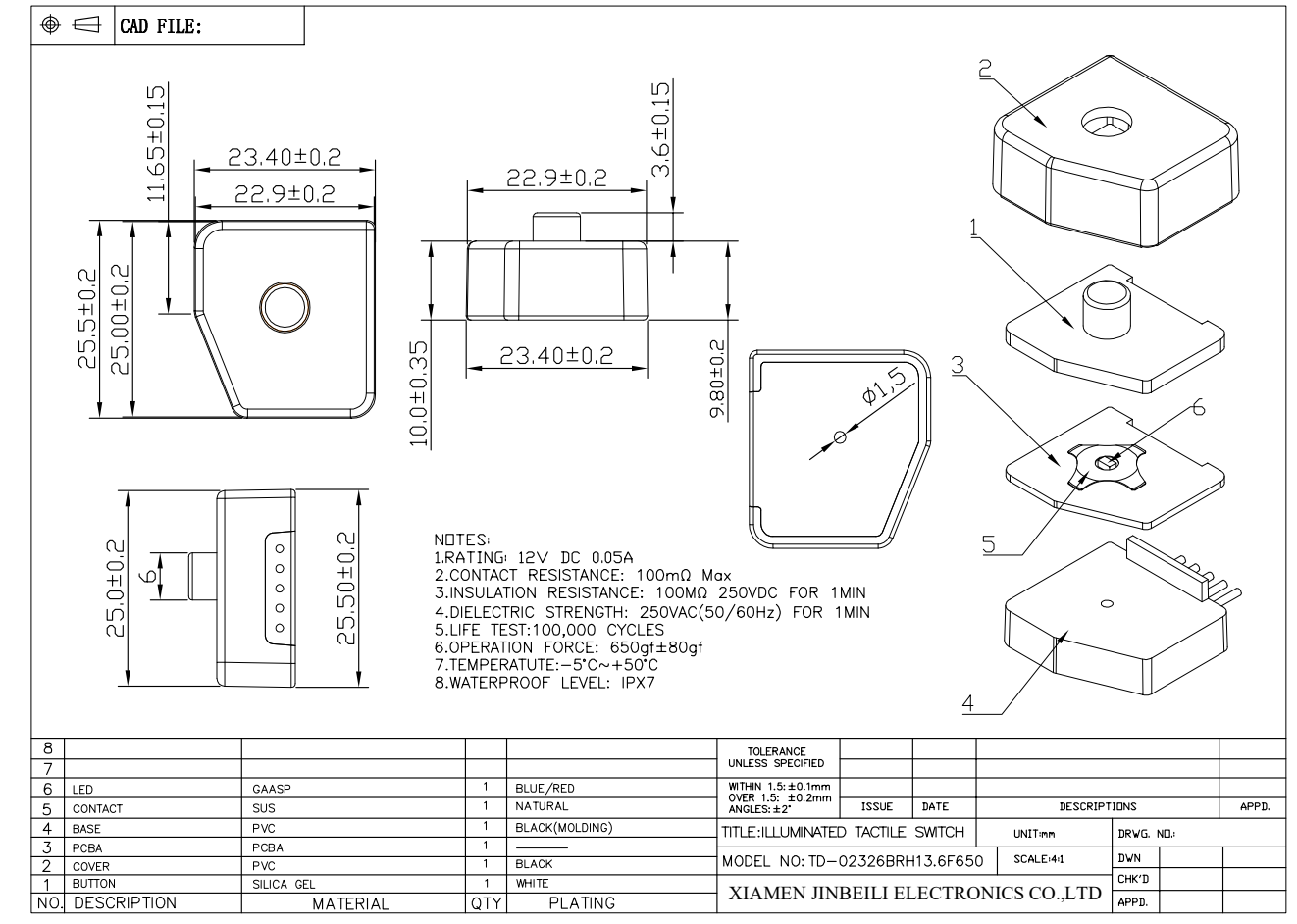
TD-02325BRH13 IP67 Rated Illuminated Tactile Button Cable

Short Description:

IP67 Rating Waterproof Momentary LED Push Button Switch Cable Illuminated Tactile Button Wire Lead


Product Detail

Product Tags

IP67 Waterproof LED Tactile Switch Button SPST with Wire Lead Push Button Switch. We develop and manufacture this waterproof illuminated tactile button for using in very wet environment like bathroom. The specific features it has are LED light and waterproof functions.  The button is made of transparent silicone to prevent water permeating into switch, and transmit light from inside of switch. There are 2 colors of LED light : Red and Blue.  Red light is normal open, that means red light is on all the time when switch starts. and the blue light will be on when you push. This switch is perfect for wearable and fabric projects

TD-02325BRH13


  • Previous:
  • Next:

  • Write your message here and send it to us